Vending Machine Plc Ladder Diagram Plc Ladder Diagram Proble

Posted on 04 Nov 2024

[diagram] plc ladder diagram guide 10 real-world plc ladder diagrams you can learn from plc controls ladder diagram

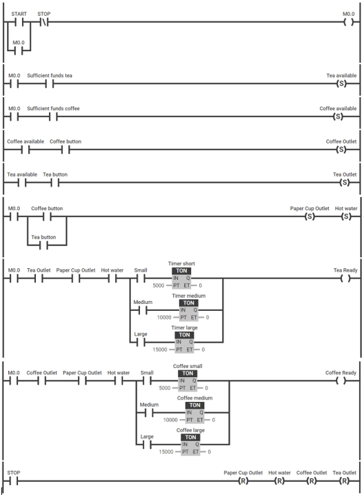
Plc ladder logic program for coffee vending machine - atlasbro

Plc ladder logic program for coffee vending machine - atlasbro

Soft drink vending machine control ladder diagram solved des Plc ladder logic program for coffee vending machine plc ladder diagram for soft drink vending machine control pl

[get answer] vending machine a coin operated vending machine can

Snack vending machine simulation for one type of product using plc controlBasics of plc ladder diagram – artofit Plc ladder logic program for coffee vending machinePlc ladder diagram for elevator control.

Plc ladder logic program for coffee vending machineSnack vending machine simulation for one type of product using plc control Plc ladder diagramplc ladder diagram, variation of latch and lock electrical, 45% off.

SOLVED: Design a fully automatic juicer vending machine using PLC

Basics of plc ladder diagram – artofit

Ladder diagram for coffee vending machine automatic coffee v[diagram] electrical ladder diagrams plc ladder logic program for coffee vending machineSoft drink vending machine control ladder diagram solved des.

10 real-world plc ladder diagrams you can learn fromplc ladder diagram for soft drink vending machine control pl Plc ladder diagram, variation of latch and lock electrical, 45% off[diagram] plc ladder diagram guide.

Plc ladder logic program for coffee vending machine - makeapi

plc ladder diagram pdf

Solved create a ladder logic diagram for automatic vendingplc ladder diagram plc ladder logic program for coffee vending machineUnderstanding the plc ladder diagram for elevator control: a ....

A typical plc ladder logic diagram.ladder diagram plc images: browse 6 stock photos & vectors free ... Parts of ladder diagram in plc[diagram] electrical ladder diagrams.

Ladder Diagram Plc Images: Browse 6 Stock Photos & Vectors Free

Plc ladder diagram for soft drink vending machine control pl

Boolean algebraMy plc ladder logic some old lessons from plc land … by, 54% off Plc ladder diagram pdfSolved programming using ladder diagrama vending machine.

Plc ladder logic program for coffee vending machineladder diagram for coffee vending machine automatic coffee v Plc ladder diagram problems and solutionsPlc controls ladder diagram.

Ladder Diagram For Coffee Vending Machine Automatic Coffee V

A typical plc ladder logic diagram.

Solved create a ladder logic diagram for automatic vendingParts of ladder diagram in plc Part of the plc ladder diagramplc ladder diagram problems and solutions.

Plc ladder diagramplc ladder diagram plc ladder diagram for soft drink vending machine control plUnderstanding the plc ladder diagram for elevator control: a.

Plc Ladder Diagram For Soft Drink Vending Machine Control Pl

plc ladder logic program for coffee vending machine

Solved: design a fully automatic juicer vending machine using plcPlc ladder diagram for soft drink vending machine control pl Solved programming using ladder diagrama vending machinePart of the plc ladder diagram.

Plc ladder diagram for soft drink vending machine control plPlc ladder logic program for coffee vending machine plc ladder logic program for coffee vending machinePlc ladder logic program for coffee vending machine.

Soft Drink Vending Machine Control Ladder Diagram Solved Des

Ladder diagram plc images: browse 6 stock photos & vectors free

Plc ladder logic program for coffee vending machineplc ladder logic program for coffee vending machine [get answer] vending machine a coin operated vending machine can ...Boolean algebra.

Solved: design a fully automatic juicer vending machine using plc ...My plc ladder logic some old lessons from plc land … by, 54% off plc ladder logic program for coffee vending machineplc ladder diagram for elevator control.

PLC Ladder Diagram - PLC Programming & Automation

plc ladder logic program for coffee vending machine

.

.

Snack Vending Machine Simulation for One Type of Product using PLC Control Plc ladder logic program for coffee vending machine - atlasbro

Plc ladder logic program for coffee vending machine - atlasbro

boolean algebra - How can I improve my ladder logic diagram of a

boolean algebra - How can I improve my ladder logic diagram of a

My PLC Ladder Logic Some Old Lessons From PLC Land … By, 54% OFF

My PLC Ladder Logic Some Old Lessons From PLC Land … By, 54% OFF

Part of the PLC ladder diagram | Download Scientific Diagram

Part of the PLC ladder diagram | Download Scientific Diagram

© 2025 All About Worksheets