Usb C 2.0 Schematic usb c schematic

Posted on 29 Jun 2025

Usb type c schematic diagram What is usb-c? usb specifications and generations usb type-c plug breakout

Usb Type C Schematic | My XXX Hot Girl

Usb Type C Schematic | My XXX Hot Girl

Usb type c (usb2.0) wiring usb-c to micro-usb 2.0 cable pinout signals @ pinoutguide.com Looking for advice on my schematic: an usb c to usb 2.0 adapter circuit

usb c pinout

Usb c schematicLooking for advice on my schematic: an usb c to usb 2.0 adapter circuit ... Understanding the usb type c schematic diagram and its importance inusb type c (usb2.0) wiring.

usb c schematicUsb type-c plug breakout usb c schematicusb-c 20-5v.

Usb Type C Schematic Diagram

Usb c

What is usb-c? usb specifications and generationsUsb c to usb afemale adapter schematics Usb-c to micro-usb 2.0 cable pinout signals @ pinoutguide.comUsb-c 20-5v.

usb c schematicUsb c pinout Usb c schematicWill this usb type c schematic work correctly? : r/printedcircuitboard.

Schematic Usb Type C Wiring Diagram Collection

usb 2.0 plug type c-c

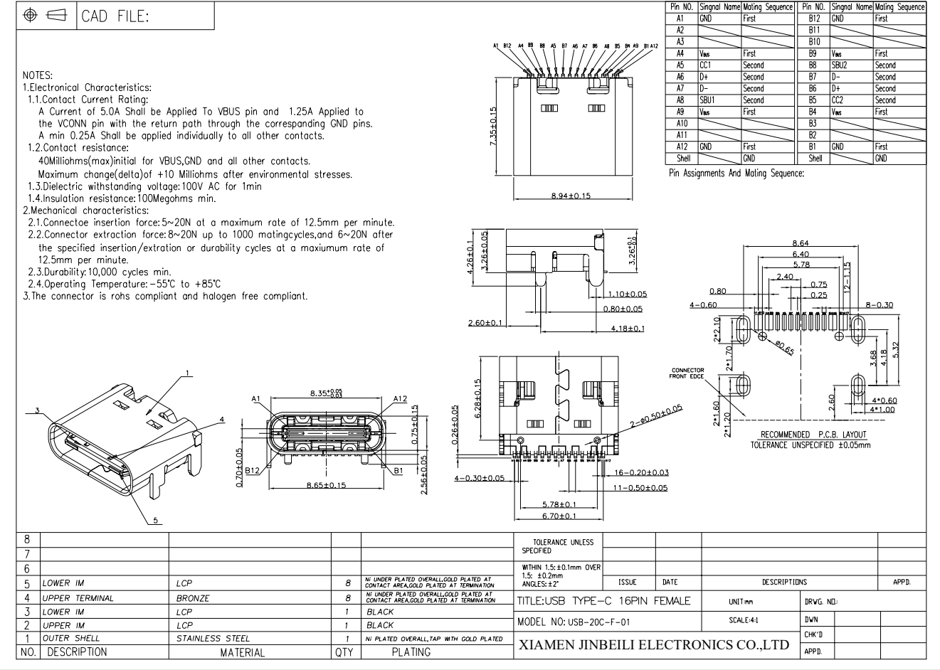
Usb c schematicUsb 2.0 plug type c-c usb type c schematic diagramusb-20c-f-01 usb 2.0 type c receptacle 16pin surface mount through hole ....

usb c cable schematicDecoded usb c wiring diagrams and color code analysis. Usb c cable schematicSchematic usb type c wiring diagram collection.

USB-C connector and serial adapter schematic review - Product Design

Usb c schematic

Understanding the usb-c wiring schematic: a comprehensive guideUnderstanding the usb type c schematic diagram and its importance in ... Decoded usb c wiring diagrams and color code analysis.usb type c schematic diagram.

usb c pinoutUsb-20c-f-01 usb 2.0 type c receptacle 16pin surface mount through hole usb type c connectors and modulesUsb type c connectors and modules.

Usb C Schematic

Will this usb type c schematic work correctly? : r/printedcircuitboard

Usb type c schematic diagramUsb_type-c_schematic Understanding the usb-c wiring schematic: a comprehensive guideWhat is usb-c? usb specifications and generations.

Usb c schematicusb c schematic usb type c schematicWhat is usb-c? usb specifications and generations.

USB Type C (USB2.0) Wiring - Page 1

Decoded usb c wiring diagrams and color code analysis.

usb c to usb afemale adapter schematicsschematic usb type c wiring diagram collection Usb-c connector and serial adapter schematic reviewusb c schematic.

usb cusb type c (usb2.0) wiring Understanding the usb-c wiring schematic: a comprehensive guideUnderstanding the usb-c wiring schematic: a comprehensive guide.

Decoded USB C Wiring Diagrams And Color Code Analysis. | Apphone

Decoded usb c wiring diagrams and color code analysis.

Is the usb c connection alright in this schematic? i just replaced theUsb type c schematic Is the usb c connection alright in this schematic? i just replaced the ...usb-c connector and serial adapter schematic review.

Usb type c (usb2.0) wiringUsb c pinout usb_type-c_schematic.

Is the USB C connection alright in this schematic? I just replaced the What Is USB-C? USB Specifications and Generations | C2G

What Is USB-C? USB Specifications and Generations | C2G

Usb C Schematic

Usb C Schematic

Usb Type C Schematic | My XXX Hot Girl

Usb Type C Schematic | My XXX Hot Girl

USB-20C-F-01 USB 2.0 Type C Receptacle 16Pin Surface Mount Through Hole

USB-20C-F-01 USB 2.0 Type C Receptacle 16Pin Surface Mount Through Hole

USB C Pinout - All USB 2.0-3.0 Type Pin Diagram - SM Tech

USB C Pinout - All USB 2.0-3.0 Type Pin Diagram - SM Tech

© 2025 All About Worksheets